产品中心

12/24kV开关柜接地开关联锁装置

产品描述
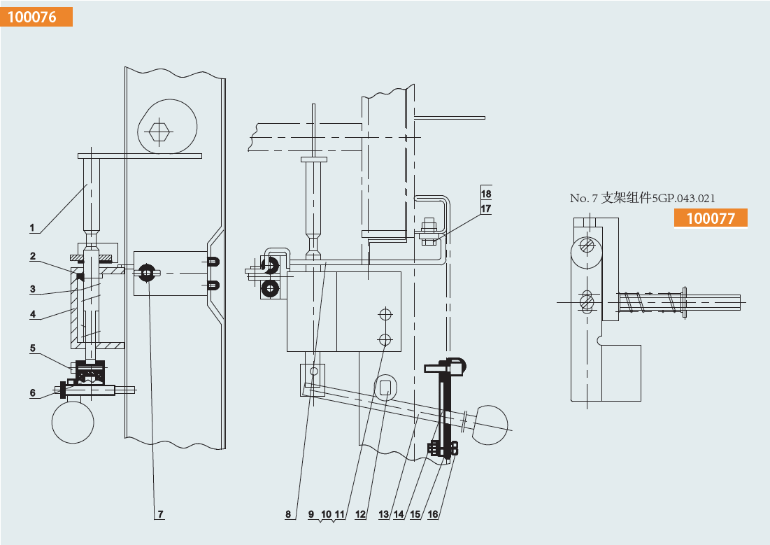
5GP.363.010
  • 接地开关操作机构联锁装置(用于连接臂传动操作)5GP.363.010.1装配图

    1.png

  • 联锁装置使用说明

  • 在与后门的反向联锁上加装联锁装置在原有5GP.363.010接地开关操作机构的基础上设计联锁设备。即闭合接地开关后,打开后门(封板)时,原联锁仍可操作接地开关,但这个联锁无法操作。必须先关闭后门(封板),才能操作接地开关。

  • 将联锁装置的工作原理改为24号锁套,在原来的5GP .363.010的基础上增加了弹簧。后门(封板)打开后,锁套进入开关柜方孔(推荐尺寸35X35)中,接地开关无法操作。

5GP.363.010.1
  • 接地开关操作机构联锁装置(用于锥齿轮传动操作)5GP.577.1001装配图

  • 2.png

接地开关操作机构(用于连接臂驱动)5GP.363.010.3

  • 3.png

接地开关操作机构(绝缘杆型)5GP.363.010.3/JY

  • 4.png

接地开关操作机构(分段式)5GP.363.010.3/FT

  • 5.png

  • 第二条

接地开关操作机构联锁装置(用于双向锥齿轮传动操作)5GP.577.1002 / 5GP.577.1002.1

  • 特性

    a. 5GP.577.1002为单向联锁,接地后开关闭合后可以打开后门(密封板),打开后门(密封板)仍可操作接地开关。其联锁功能为5GP.360.010。

    b. 5GP.577.1002.1为双向联锁,接地后开关闭后可以打开后门,后门打开后,无法操作接地开关。其联锁功能为5GP.363.010.1。

  • 锥齿轮组件型号及安装尺寸

  • 6.png

连接臂组件5GP.233.030

  • 1.png

下门联锁机构5GP.239.010

  • 改进后的机构,能满足在不正确关闭下门的情况下打开接地开关。手车无法进入工作位置。必须关闭落地门才能打开接地开关,手车才能从测试位置进入工作位置,确保人身安全。

  • 1.png