产品中心

12kV 户内高压交流接地开关

GPJN15-12

JN15-12接地开关1.jpg

产品描述

GPJN15-12/31.5kA户内高压交流接地开关

概述

  • GPJN15-12(7.2)/31.5型户内高压接地开关是装配式产品,其性能符合GB1985-2004《高压交流隔离器和接地开关》及IEC62271-102:2002标准的要求。本产品适用于3.6kV-12kV三相交流50(60)Hz电力系统;具有闭合短路能力,保护电气设备不受损坏,适用于高压开关柜检修时的接地保护装置。

使用条件

  • 周围环境温度:上限+45°C,下限-25°C。

  • 海拔高度不超过1000m(标准)。

  • 相对湿度:日平均≤ 95%,月平均≤ 90% 。

  • 地震强度:≤8度。

  • 污染程度:II

  • 特殊情况:订货时请注明。

订购注意事项

  • 订购接地开关时,应注明产品型号、额定电压、相距、热稳定电流、有无指示装置。(如有必要,请指定指示器型号)。

    如果柔性连接长度要求较长。(标准连接长度L = 240mm)。

    标明辅助开关数、以及端子需不需要引线

    标明指定操作方向:左或右。

    关于左或右的操作方向,订货时最容易出错,所以我公司将遵循如下规则:

    站在产品的前面,绝缘子在上面,活动叶片在下面,主轴在左边,左操作接地开关,如图(1)所示。

    站在产品的前面,绝缘子在上端面,活动叶片在下端面,主轴在右面操作接地开关,如图(2)所示。

    由于接地开关可以安装在任何方向,请仔细检查所要求的操作方向,根据图(1)和(2)的说明,选择所需的左操作或右操作接地开关。 

    如有特殊要求,请与绿力公司联系制定详细规格。

  • 1.png

参数
  • 2.png

图纸
  • GPJN15-12/31.5接地开关外形及安装尺寸

    3.png

  • 母线槽接头表面尺寸

    4.png

  • GPJN15-17.5/31.5kA 接地开关外形及安装尺寸

  • 5.png


GPJN15-12/40户内高压交流接地开关

概述

  • GPJN15-12(7.2)/40-100型户内高压接地开关是装配式产品,其性能符合GB1985-2004《高压交流隔离器和接地开关》及IEC62271-102:2002标准的要求。本产品适用于3- 12kv三相交流、50(60)Hz的电力系统;具有闭合短路能力,保护电气设备不受损坏,适用于高压开关柜检修时的接地保护装置。

使用条件

  • 周围环境温度:上限+45°C,下限-25°C。

  • 海拔高度不超过1000m(标准)。

  • 相对湿度:日平均≤ 95%,月平均≤ 90% 。

  • 地震强度:≤8度。

  • 污染程度:II

  • 特殊情况:订货时请注明。

订购注意事项
  • 订购接地开关时,请注明产品型号、左或右操作、相位距离、带或不带指示设备(请指定设备型号)。

  • 柔性连接长度需延长或不延长(标准L=240mm)。

 

  • 如有特殊要求,请与绿力公司联系制定详细规格。

参数
  • 6.png

图纸
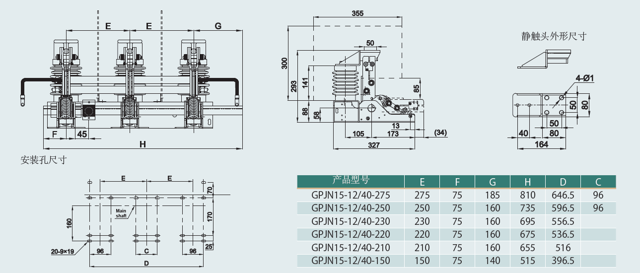
  • GPJN15-12/40接地开关外形及安装尺寸

    7.png


GPJN15-12/50户内高压交流接地开

概述

  • GPJN15-12/50型户内高压接地开关装配型产品,其性能符合GB1985-200《高压交流隔离器和接地开关》以及标准IEC62271-102:2002的要求。产品适用于3- 12kv三相交流、50(60)Hz、容量大、分断性能高的电力系统;具有闭合短路能力,保护电气设备不受损坏,适用于高压开关柜检修时的接地保护装置。

使用条件

  • 周围环境温度:上限+45°C,下限-25°C。

  • 海拔高度不超过1000m(标准)。

  • 相对湿度:日平均≤ 95%,月平均≤ 90% 。

  • 地震强度:≤8度。

  • 污染程度:II

  • 特殊情况:订货时请注明。

订购注意事项
  • 订购接地开关时,请注明产品型号、左或右操作、相位距离、带或不带指示设备(请指定设备型号)。

  • 柔性连接长度需延长或不延长(标准L=240mm)。

     

  • 如有特殊要求,请与绿力公司联系制定详细规格。

参数
  • 8.png

图纸
  • 外形及安装尺寸

    9.png